
MIL-C-83522/1F
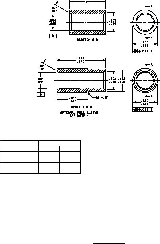
A
Min
Max
Full sleeve
.240
.246
Inches
mm
(see note 4)
(6.10)
(6.25)
.001
0.03
One-half sleeve
.117
.124
.083
2.11
(see note 5)
(2.97)
(3.15)
.084
2.13
NOTES:
.096
2.44
1. Dimensions are in inches.
.102
2.59
2. Metric equivalents are in parentheses.
.108
2.74
3. Metric equivalents are given for general information only.
.112
2.85
4. One full length acetal sleeve to be used in conjunction with two
.121
3.07
step-down nose connectors.
.122
3.10
5. One-half length acetal sleeve to be used in conjunction with one
.125
3.18
step-down nose connector and one receptacle (active device).
.148
3.76
6. Dimensions apply to sleeve as manufactured. Sleeve material may
.152
3.86
be compressed when in use.
.240
6.10
.246
6.25
FIGURE 2. Alignment sleeves.
3
For Parts Inquires call Parts Hangar, Inc (727) 493-0744
© Copyright 2015 Integrated Publishing, Inc.
A Service Disabled Veteran Owned Small Business