
MIL-C-83522/4F
A
A
Inches
mm
Inches
mm
Inches
mm
.002
0.05
.160
4.06
.250
6.35
.003
0.08
.175
4.44
.275
6.99
.005
0.13
.185
4.70
.285
7.24
.010
0.25
.190
4.83
.370
9.40
.030
0.76
.208
5.28
.380
9.65
.090
2.29
.216
5.49
.389
9.88
.110
2.79
.220
5.59
.495
12.57
.1251
3.178
.225
5.72
.505
12.83
.1256
3.190
.230
5.84
.590
14.99
.150
3.81
.240
6.10
.605
15.37
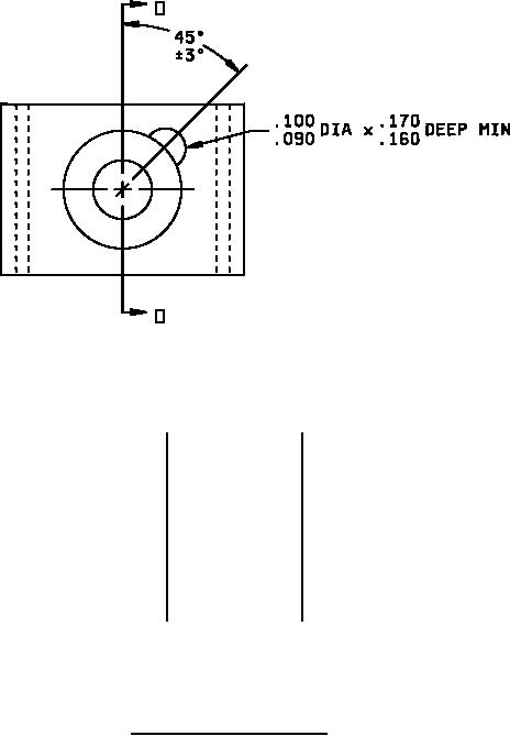
NOTES:
1. Dimensions are in inches.
2. Metric equivalents are for general information only.
FIGURE 1. Dimensions and configuration Continued.
Part or Identifying Number (PIN): M83522/4-01.
2
For Parts Inquires call Parts Hangar, Inc (727) 493-0744
© Copyright 2015 Integrated Publishing, Inc.
A Service Disabled Veteran Owned Small Business