
0
MIL-DTL-83522/17C
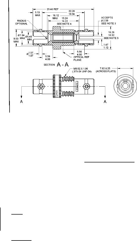
NOTES:
1. Dimensions are in millimeters.
2. Inch equivalents are given for general information only.
3. The adapter is shown with an alignment sleeve which will accept a ferrule diameter of 2.498 to 2.500
mm for MM and 2.4985 to 2.4995 mm for MM/SM.
4. This dimension is the shoulder-to-shoulder distance inside the adapter. This dimension does not
apply to the adapter key slot.
5. Adapter may be supplied with a square flange. The dimensions for the sides of the square flange are
the same as the diameter of the round flange.
FIGURE 1. Dimensions and configuration.
REQUIREMENTS:
Metals. Except for the alignment sleeve, the alignment sleeve retention clip and the dust covers, the
adapter housing and other components are to be made of stainless steel, nickel plated brass or another
metal that is approved by the qualification activity.
Alignment sleeve material: Ceramic (zirconia).
Dust covers. Shall be thermoplastic and shall be provided on each end of the adapter.
2
For Parts Inquires call Parts Hangar, Inc (727) 493-0744
© Copyright 2015 Integrated Publishing, Inc.
A Service Disabled Veteran Owned Small Business