
INCH-POUND
MIL-PRF-28876/11E
4 October 2004
SUPERSEDING
MIL-C-28876/11D
9 July 1992
PERFORMANCE SPECIFICATION SHEET
CONNECTORS, FIBER OPTIC, CIRCULAR, RECEPTACLE STYLE,
MULTIPLE REMOVABLE TERMINI, SCREW THREADS,
JAMNUT MOUNTING, WITHOUT BACKSHELL, ENVIRONMENT RESISTING
This specification is approved for use by all Departments
and Agencies of the Department of Defense.
The requirements for acquiring fiber optic connectors described
herein shall consist of this specification sheet and MIL-PRF-28876.
Inches
mm
.006
0.15
.010
0.25
.015
0.38
.020
0.51
.062
1.57
.115
2.92
.125
3.18
.188
4.78
1.023
25.98
1.990
50.55
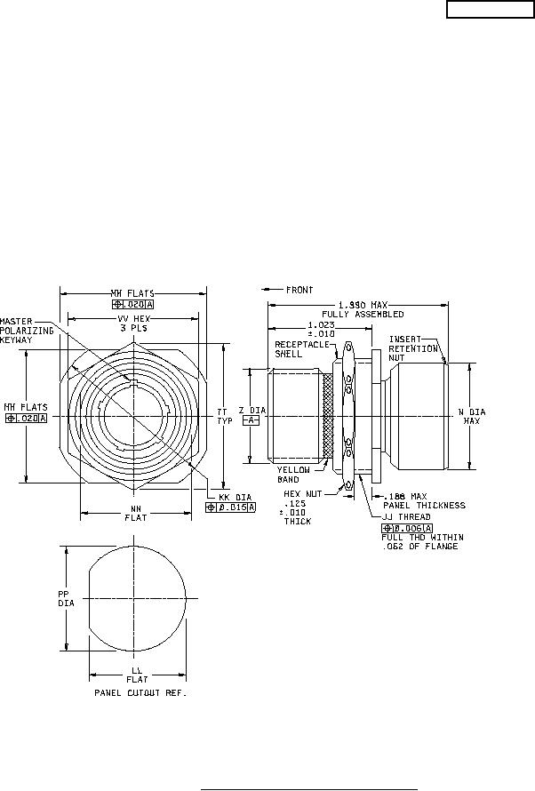
FIGURE 1.
Jamnut receptacle connector.
AMSC N/A
FSC 6060
For Parts Inquires call Parts Hangar, Inc (727) 493-0744
© Copyright 2015 Integrated Publishing, Inc.
A Service Disabled Veteran Owned Small Business