
INCH-POUND
MIL-PRF-28876/4E
4 October 2004
SUPERSEDING
MIL-C-28876/4D
9 July 1992
PERFORMANCE SPECIFICATION SHEET
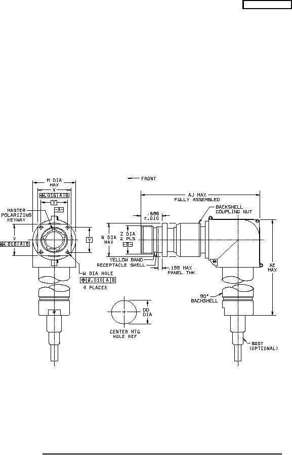
CONNECTORS, FIBER OPTIC, CIRCULAR, RECEPTACLE STYLE,
MULTIPLE REMOVABLE TERMINI, SCREW THREADS,
WALL MOUNTING, WITH 90° BACKSHELL, ENVIRONMENT RESISTING
This specification is approved for use by all Departments
and Agencies of the Department of Defense.
The requirements for acquiring fiber optic connectors described herein
shall consist of this specification sheet and MIL-PRF-28876.
Inches
mm
.010
0.25
.016
0.41
.115
2.92
.188
4.78
.888
22.56
o
FIGURE 1. Wall mounting receptacle connector with 90 backshell.
AMSC N/A
FSC 6060
For Parts Inquires call Parts Hangar, Inc (727) 493-0744
© Copyright 2015 Integrated Publishing, Inc.
A Service Disabled Veteran Owned Small Business