
INCH-POUND
MIL-PRF-28876/9E
4 October 2004
SUPERSEDING
MIL-C-28876/9D
9 July 1992
PERFORMANCE SPECIFICATION SHEET
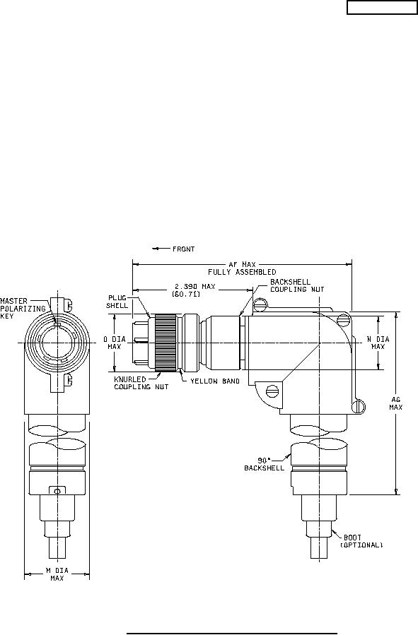
CONNECTORS, FIBER OPTIC, CIRCULAR, PLUG STYLE,
MULTIPLE REMOVABLE TERMINI, SCREW THREADS,
WITH 90° BACKSHELL, ENVIRONMENT RESISTING
This specification is approved for use by all Departments
and Agencies of the Department of Defense.
The requirements for acquiring fiber optic connectors described herein shall
consist of this specification sheet and the latest issue of MIL-PRF-28876.
FIGURE 1.
Plug connector with 90° backshell.
AMSC N/A
FSC 6060
For Parts Inquires call Parts Hangar, Inc (727) 493-0744
© Copyright 2015 Integrated Publishing, Inc.
A Service Disabled Veteran Owned Small Business